790 DUKE L, orange 2024 2024 EU
KARTERY
| Lp. | Nazwa i numer części Nazwa | Ilość | Cena |
|---|---|---|---|
|
4 |
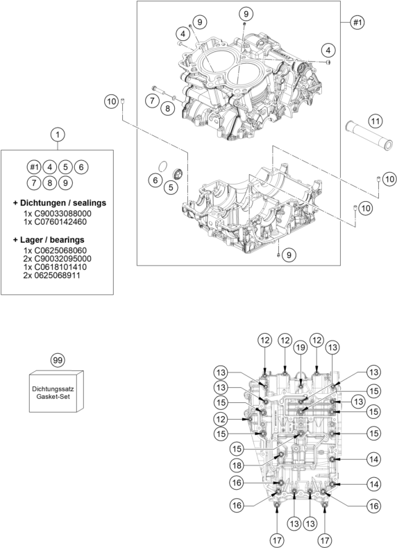
[0906100100] PLUG DIN0906-M10X1
0906100100
Dostępny w 3-7 dni |
|
13,39 PLN
Najniższa cena w ostatnich 30 dniach: 14,88 PLN
|
|
6 |
[61030019050] ANEL TRAVA DA TAMPA DO NIVEL DE OLEO DE
61030019050
Dostępny w 3-7 dni |
|
10,02 PLN
Najniższa cena w ostatnich 30 dniach: 11,13 PLN
|