koszyk 0

Koszyk

0 PLN

Koszyk jest pusty

Przygotuj się do sezonu 2026! 🔥 U nas wszystko do -12%  (części, powerparts, powerwear, motorex). Ceny obniżone do odwołania!

Język:

Waluta:

Schematy

790 Duke L, black 2020 2020 EU

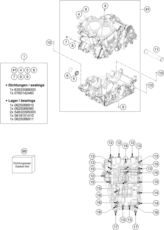
KARTERY

Powrót
Lp. Nazwa i numer części Nazwa Ilość Cena

1

[6353000024424] ENGINE CASE CPL. 6353000024424

Dostępny w 3-7 dni

7 970,52 PLN
7 014,06 PLN
Najniższa cena w ostatnich 30 dniach: 6 774,94 PLN

4

[0906100100] PLUG DIN0906-M10X1 0906100100

Dostępny w 3-7 dni

15,13 PLN
14,07 PLN
Najniższa cena w ostatnich 30 dniach: 12,86 PLN

5

[59030019200] VISOR DO NIVEL DO OLEO 59030019200

Dostępny w 3-7 dni

70,54 PLN
65,60 PLN
Najniższa cena w ostatnich 30 dniach: 59,96 PLN

6

[61030019050] ANEL TRAVA DA TAMPA DO NIVEL DE OLEO DE 61030019050

Dostępny w 3-7 dni

11,44 PLN
10,64 PLN
Najniższa cena w ostatnich 30 dniach: 9,72 PLN

7

[0025080356] SK-Bundschraube M8x35 ISA40 0025080356

Niedostępny

14,33 PLN
13,33 PLN
Najniższa cena w ostatnich 30 dniach: 12,18 PLN

8

[0603082131] COPPER GASK.DIN7603- 8,2X13X1 0603082131

Dostępny w 3-7 dni

6,40 PLN
5,95 PLN
Najniższa cena w ostatnich 30 dniach: 5,44 PLN

9

[60030063070] INJETOR DE OLEO 50 60030063070

Dostępny w 3-7 dni

40,84 PLN
37,98 PLN
Najniższa cena w ostatnich 30 dniach: 34,71 PLN

10

[59030023000] CASQUILHO 6X8X11,5 59030023000

Dostępny w 3-7 dni - Zastąpiony

DOWEL, 6X8X11.5 59030023100

Dostępny w 3-7 dni

10,87 PLN

11

[63530010000] HOUSING SOCKET 63530010000

Dostępny w 3-7 dni

77,67 PLN
72,23 PLN
Najniższa cena w ostatnich 30 dniach: 66,02 PLN

12

[00002506030U0] HEX COLLAR SCR., M6X30, ISA 30 W. WASHER 00002506030U0

Dostępny w 3-7 dni

8,79 PLN
8,17 PLN
Najniższa cena w ostatnich 30 dniach: 7,42 PLN

13

[00002506060U0] HEX COLLAR SCR., M6X60, ISA 30 W. WASHER 00002506060U0

Dostępny w 3-7 dni

9,84 PLN
9,15 PLN
Najniższa cena w ostatnich 30 dniach: 8,36 PLN

14

[0025080906] SK-Bundschraube M8x90 ISA40 0025080906

Dostępny w 3-7 dni

16,48 PLN
15,33 PLN
Najniższa cena w ostatnich 30 dniach: 14,01 PLN

15

[00002508090U0] HEX COLLAR SCR., M8X90, ISA 40 W. WASHER 00002508090U0

Dostępny w 3-7 dni

16,48 PLN
15,33 PLN
Najniższa cena w ostatnich 30 dniach: 14,01 PLN

16

[0025080656] HH COLLAR SCREW M8X65 TX40 0025080656

Dostępny w 3-7 dni

16,48 PLN
15,33 PLN
Najniższa cena w ostatnich 30 dniach: 14,01 PLN

17

[0025080556] SK-Bundschraube M8x55 ISA40 0025080556

Niedostępny

16,48 PLN
15,33 PLN
Najniższa cena w ostatnich 30 dniach: 14,01 PLN

18

[0025080456] SK-Bundschraube M8x45 ISA40 0025080456

Dostępny w 3-7 dni

14,33 PLN
13,33 PLN
Najniższa cena w ostatnich 30 dniach: 12,18 PLN

19

[00002508065U0] HEXAGON COLLAR NUT M8X65 ISA 40 W.WASHER 00002508065U0

Dostępny w 3-7 dni

16,48 PLN
15,33 PLN
Najniższa cena w ostatnich 30 dniach: 14,01 PLN

99

[63530099000] ENGINE GASKET 790 DUKE 63530099000

Dostępny w 3-7 dni

1 328,52 PLN
1 169,10 PLN
Najniższa cena w ostatnich 30 dniach: 1 129,24 PLN

Powrót
1

[6353000024424] ENGINE CASE CPL.

6353000024424

cena: 7 014,06 PLN 7 970,52 PLN

Najniższa cena w ostatnich 30 dniach: 6 774,94 PLN

ilość:

Dostępny w 3-7 dni

1

[6353000024424] ENGINE CASE CPL.

6353000024424

cena: 7 014,06 PLN 7 970,52 PLN

Najniższa cena w ostatnich 30 dniach: 6 774,94 PLN

ilość:

Dostępny w 3-7 dni

1

[6353000024424] ENGINE CASE CPL.

6353000024424

cena: 7 014,06 PLN 7 970,52 PLN

Najniższa cena w ostatnich 30 dniach: 6 774,94 PLN

ilość:

Dostępny w 3-7 dni

4

[0906100100] PLUG DIN0906-M10X1

0906100100

cena: 14,07 PLN 15,13 PLN

Najniższa cena w ostatnich 30 dniach: 12,86 PLN

ilość:

Dostępny w 3-7 dni

4

[0906100100] PLUG DIN0906-M10X1

0906100100

cena: 14,07 PLN 15,13 PLN

Najniższa cena w ostatnich 30 dniach: 12,86 PLN

ilość:

Dostępny w 3-7 dni

5

[59030019200] VISOR DO NIVEL DO OLEO

59030019200

cena: 65,60 PLN 70,54 PLN

Najniższa cena w ostatnich 30 dniach: 59,96 PLN

ilość:

Dostępny w 3-7 dni

5

[59030019200] VISOR DO NIVEL DO OLEO

59030019200

cena: 65,60 PLN 70,54 PLN

Najniższa cena w ostatnich 30 dniach: 59,96 PLN

ilość:

Dostępny w 3-7 dni

6

[61030019050] ANEL TRAVA DA TAMPA DO NIVEL DE OLEO DE

61030019050

cena: 10,64 PLN 11,44 PLN

Najniższa cena w ostatnich 30 dniach: 9,72 PLN

ilość:

Dostępny w 3-7 dni

6

[61030019050] ANEL TRAVA DA TAMPA DO NIVEL DE OLEO DE

61030019050

cena: 10,64 PLN 11,44 PLN

Najniższa cena w ostatnich 30 dniach: 9,72 PLN

ilość:

Dostępny w 3-7 dni

7

[0025080356] SK-Bundschraube M8x35 ISA40

0025080356

cena: 13,33 PLN 14,33 PLN

Najniższa cena w ostatnich 30 dniach: 12,18 PLN

ilość:

Niedostępny

7

[0025080356] SK-Bundschraube M8x35 ISA40

0025080356

cena: 13,33 PLN 14,33 PLN

Najniższa cena w ostatnich 30 dniach: 12,18 PLN

ilość:

Niedostępny

8

[0603082131] COPPER GASK.DIN7603- 8,2X13X1

0603082131

cena: 5,95 PLN 6,40 PLN

Najniższa cena w ostatnich 30 dniach: 5,44 PLN

ilość:

Dostępny w 3-7 dni

8

[0603082131] COPPER GASK.DIN7603- 8,2X13X1

0603082131

cena: 5,95 PLN 6,40 PLN

Najniższa cena w ostatnich 30 dniach: 5,44 PLN

ilość:

Dostępny w 3-7 dni

9

[60030063070] INJETOR DE OLEO 50

60030063070

cena: 37,98 PLN 40,84 PLN

Najniższa cena w ostatnich 30 dniach: 34,71 PLN

ilość:

Dostępny w 3-7 dni

9

[60030063070] INJETOR DE OLEO 50

60030063070

cena: 37,98 PLN 40,84 PLN

Najniższa cena w ostatnich 30 dniach: 34,71 PLN

ilość:

Dostępny w 3-7 dni

9

[60030063070] INJETOR DE OLEO 50

60030063070

cena: 37,98 PLN 40,84 PLN

Najniższa cena w ostatnich 30 dniach: 34,71 PLN

ilość:

Dostępny w 3-7 dni

9

[60030063070] INJETOR DE OLEO 50

60030063070

cena: 37,98 PLN 40,84 PLN

Najniższa cena w ostatnich 30 dniach: 34,71 PLN

ilość:

Dostępny w 3-7 dni

10

[59030023000] CASQUILHO 6X8X11,5

59030023000

Dostępny w 3-7 dni

[59030023100] DOWEL, 6X8X11.5

59030023100

Dostępny w 3-7 dni

10,87 PLN

10

[59030023000] CASQUILHO 6X8X11,5

59030023000

Dostępny w 3-7 dni

[59030023100] DOWEL, 6X8X11.5

59030023100

Dostępny w 3-7 dni

10,87 PLN

10

[59030023000] CASQUILHO 6X8X11,5

59030023000

Dostępny w 3-7 dni

[59030023100] DOWEL, 6X8X11.5

59030023100

Dostępny w 3-7 dni

10,87 PLN

11

[63530010000] HOUSING SOCKET

63530010000

cena: 72,23 PLN 77,67 PLN

Najniższa cena w ostatnich 30 dniach: 66,02 PLN

ilość:

Dostępny w 3-7 dni

12

[00002506030U0] HEX COLLAR SCR., M6X30, ISA 30 W. WASHER

00002506030U0

cena: 8,17 PLN 8,79 PLN

Najniższa cena w ostatnich 30 dniach: 7,42 PLN

ilość:

Dostępny w 3-7 dni

12

[00002506030U0] HEX COLLAR SCR., M6X30, ISA 30 W. WASHER

00002506030U0

cena: 8,17 PLN 8,79 PLN

Najniższa cena w ostatnich 30 dniach: 7,42 PLN

ilość:

Dostępny w 3-7 dni

12

[00002506030U0] HEX COLLAR SCR., M6X30, ISA 30 W. WASHER

00002506030U0

cena: 8,17 PLN 8,79 PLN

Najniższa cena w ostatnich 30 dniach: 7,42 PLN

ilość:

Dostępny w 3-7 dni

12

[00002506030U0] HEX COLLAR SCR., M6X30, ISA 30 W. WASHER

00002506030U0

cena: 8,17 PLN 8,79 PLN

Najniższa cena w ostatnich 30 dniach: 7,42 PLN

ilość:

Dostępny w 3-7 dni

13

[00002506060U0] HEX COLLAR SCR., M6X60, ISA 30 W. WASHER

00002506060U0

cena: 9,15 PLN 9,84 PLN

Najniższa cena w ostatnich 30 dniach: 8,36 PLN

ilość:

Dostępny w 3-7 dni

13

[00002506060U0] HEX COLLAR SCR., M6X60, ISA 30 W. WASHER

00002506060U0

cena: 9,15 PLN 9,84 PLN

Najniższa cena w ostatnich 30 dniach: 8,36 PLN

ilość:

Dostępny w 3-7 dni

13

[00002506060U0] HEX COLLAR SCR., M6X60, ISA 30 W. WASHER

00002506060U0

cena: 9,15 PLN 9,84 PLN

Najniższa cena w ostatnich 30 dniach: 8,36 PLN

ilość:

Dostępny w 3-7 dni

13

[00002506060U0] HEX COLLAR SCR., M6X60, ISA 30 W. WASHER

00002506060U0

cena: 9,15 PLN 9,84 PLN

Najniższa cena w ostatnich 30 dniach: 8,36 PLN

ilość:

Dostępny w 3-7 dni

13

[00002506060U0] HEX COLLAR SCR., M6X60, ISA 30 W. WASHER

00002506060U0

cena: 9,15 PLN 9,84 PLN

Najniższa cena w ostatnich 30 dniach: 8,36 PLN

ilość:

Dostępny w 3-7 dni

13

[00002506060U0] HEX COLLAR SCR., M6X60, ISA 30 W. WASHER

00002506060U0

cena: 9,15 PLN 9,84 PLN

Najniższa cena w ostatnich 30 dniach: 8,36 PLN

ilość:

Dostępny w 3-7 dni

13

[00002506060U0] HEX COLLAR SCR., M6X60, ISA 30 W. WASHER

00002506060U0

cena: 9,15 PLN 9,84 PLN

Najniższa cena w ostatnich 30 dniach: 8,36 PLN

ilość:

Dostępny w 3-7 dni

14

[0025080906] SK-Bundschraube M8x90 ISA40

0025080906

cena: 15,33 PLN 16,48 PLN

Najniższa cena w ostatnich 30 dniach: 14,01 PLN

ilość:

Dostępny w 3-7 dni

14

[0025080906] SK-Bundschraube M8x90 ISA40

0025080906

cena: 15,33 PLN 16,48 PLN

Najniższa cena w ostatnich 30 dniach: 14,01 PLN

ilość:

Dostępny w 3-7 dni

15

[00002508090U0] HEX COLLAR SCR., M8X90, ISA 40 W. WASHER

00002508090U0

cena: 15,33 PLN 16,48 PLN

Najniższa cena w ostatnich 30 dniach: 14,01 PLN

ilość:

Dostępny w 3-7 dni

15

[00002508090U0] HEX COLLAR SCR., M8X90, ISA 40 W. WASHER

00002508090U0

cena: 15,33 PLN 16,48 PLN

Najniższa cena w ostatnich 30 dniach: 14,01 PLN

ilość:

Dostępny w 3-7 dni

15

[00002508090U0] HEX COLLAR SCR., M8X90, ISA 40 W. WASHER

00002508090U0

cena: 15,33 PLN 16,48 PLN

Najniższa cena w ostatnich 30 dniach: 14,01 PLN

ilość:

Dostępny w 3-7 dni

15

[00002508090U0] HEX COLLAR SCR., M8X90, ISA 40 W. WASHER

00002508090U0

cena: 15,33 PLN 16,48 PLN

Najniższa cena w ostatnich 30 dniach: 14,01 PLN

ilość:

Dostępny w 3-7 dni

15

[00002508090U0] HEX COLLAR SCR., M8X90, ISA 40 W. WASHER

00002508090U0

cena: 15,33 PLN 16,48 PLN

Najniższa cena w ostatnich 30 dniach: 14,01 PLN

ilość:

Dostępny w 3-7 dni

15

[00002508090U0] HEX COLLAR SCR., M8X90, ISA 40 W. WASHER

00002508090U0

cena: 15,33 PLN 16,48 PLN

Najniższa cena w ostatnich 30 dniach: 14,01 PLN

ilość:

Dostępny w 3-7 dni

16

[0025080656] HH COLLAR SCREW M8X65 TX40

0025080656

cena: 15,33 PLN 16,48 PLN

Najniższa cena w ostatnich 30 dniach: 14,01 PLN

ilość:

Dostępny w 3-7 dni

16

[0025080656] HH COLLAR SCREW M8X65 TX40

0025080656

cena: 15,33 PLN 16,48 PLN

Najniższa cena w ostatnich 30 dniach: 14,01 PLN

ilość:

Dostępny w 3-7 dni

16

[0025080656] HH COLLAR SCREW M8X65 TX40

0025080656

cena: 15,33 PLN 16,48 PLN

Najniższa cena w ostatnich 30 dniach: 14,01 PLN

ilość:

Dostępny w 3-7 dni

17

[0025080556] SK-Bundschraube M8x55 ISA40

0025080556

cena: 15,33 PLN 16,48 PLN

Najniższa cena w ostatnich 30 dniach: 14,01 PLN

ilość:

Niedostępny

17

[0025080556] SK-Bundschraube M8x55 ISA40

0025080556

cena: 15,33 PLN 16,48 PLN

Najniższa cena w ostatnich 30 dniach: 14,01 PLN

ilość:

Niedostępny

18

[0025080456] SK-Bundschraube M8x45 ISA40

0025080456

cena: 13,33 PLN 14,33 PLN

Najniższa cena w ostatnich 30 dniach: 12,18 PLN

ilość:

Dostępny w 3-7 dni

19

[00002508065U0] HEXAGON COLLAR NUT M8X65 ISA 40 W.WASHER

00002508065U0

cena: 15,33 PLN 16,48 PLN

Najniższa cena w ostatnich 30 dniach: 14,01 PLN

ilość:

Dostępny w 3-7 dni

99

[63530099000] ENGINE GASKET 790 DUKE

63530099000

cena: 1 169,10 PLN 1 328,52 PLN

Najniższa cena w ostatnich 30 dniach: 1 129,24 PLN

ilość:

Dostępny w 3-7 dni

Newsletter

Newsletter

Bądź na bieżąco

Proszę zaakceptować warunki korzystania z newsletter.
Korzystając z naszej strony wyrażasz zgodę na wykorzystywanie przez nas plików cookies. Dzięki nim możemy indywidualnie dostosować stronę do Twoich potrzeb.